Please note : This help page is not for the latest version of Enterprise Architect. The latest help can be found here.
How it Works
This topic explains how the Visual Execution Analyzer generates Sequence diagrams.
Topics
Topic |
Detail |
See also |
|---|---|---|
Usage |
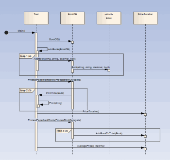
The Visual Execution Analyzer enables you to generate a Sequence Diagram by recording the live execution of an application. As the application runs, a history of function calls is recorded. This history can be used to generate Sequence Diagrams. The diagram creates a visual representation of the execution of an application, outlining what functions are being called, the types of messages being sent, the key data structures used and the relationships between different Classes; that is, how information is moved throughout the system and what values are being passed by various functions. . The diagram below illustrates the Sequence Diagram output for a program that calculates the price of books.
Enterprise Architect will record arguments to functions, and can optionally capture state transitions for a given State Machine. Calls to functions are aggregated on the class by default, but lifelines can also be created for each instance of an object. This information can be integrated with existing system knowledge and test data to optimize code execution, reduce errors and determine why application failure and system crashes occur. If an application crashes, data corruption such as a stack overflow can prevent you from diagnosing and rectifying the problem; however, the Visual Execution Analyzer enables you to record a given execution sequence to provide a reliable source of information that might further explain why a crash occurred. A Sequence diagram can convey more detail and provide greater understanding than reading unfamiliar code that might have been written by someone else; it also makes it easier to document existing code when the Sequence diagram illustrates functions that are being called and the specific sequence of events that occur to produce a particular type of system behavior.
|
|
Learn more










